Earth’s most abundant mineral finally has a name

Bridgmanite, long sought, now found in 1879 meteorite

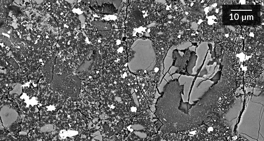
A meteorite sample

MINERAL MONIKER  Part of this sample of a meteorite that crashed into Australia 135 years ago contains the newly christened mineral bridgmanite. The mineral makes up 38 percent of Earth’s volume.

O. Tschauner et al/Science 2014

A space rock has helped scientists characterize, and finally name, the planet’s most common mineral.