- More than 2 years ago
Bad hair days have chemical roots. The dyes and perms at a salon, the humidity of







lazy summer days, even the routine shampooing, styling, and combing of your hair
can foster chemical alterations that do a number on your do.
A cadre of researchers–call them hair scientists–hears your hair screaming. In
their lab experiments, these scientists investigate how the natural environment,
including sunlight and humidity, changes hair’s structure and color. They also
identify the microscopic details of unintended damage from styling, dying, and
other attempts to beautify hair.
Such work has led the scientists to create new technologies for studying hair
damage on the molecular level. But hair research is not only about finding
damage–it’s also about preventing damage. For example, researchers have found how
certain treatments, such as conditioning, help maintain hair’s strength and how
others minimize color change in dyed locks.
Hair damage
One of the largest sources of hair damage is the quest for beauty. “Nobody is
happy with what they have,” says Chandra Pande, a biophysicist with Clairol in
Stamford, Conn. Brunettes often want light hair. Blondes want to go brown or red.
Meanwhile, those with mops of curly hair think their locks are too frizzy, and
those with straight manes want curls.
“That’s what keeps us busy,” Pande says.
Protein makes up about 95 percent of a human hair. The rest is fatty molecules,
such as lipids, and pigment molecules. Pande notes that when procedures such as
bleaching or perming change the chemistry of hair, they alter the protein-rich
internal structure of the fiber. “You can imagine how much damage it does,” he
says.
In their laboratory, Pande and his colleagues go far beyond imagining such things.
Their aim is to determine how different treatments lead to changes in hair. Hair
chemists need sensitive methods for recognizing and measuring various types of
damage in their effort to identify milder hair products and more-effective
treatments, Pande says.
Speaking last May in Towson, Md., at the 34th Middle Atlantic Regional Meeting of
the American Chemical Society (MARM 2001), Pande discussed some of the methods
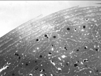
that his lab uses to identify hair damage. Since typical human hairs are only 60
to 80 micrometers in diameter, it takes tools as powerful as the scanning electron
microscope (SEM) to get a close-up look.
Currently, he is examining the chemical creation of curls in the lab, which
depends on disulfide, or sulfur-sulfur, bonds found within hair’s protein
molecules. During a perm, such bonds are initially broken with a chemical
treatment that erases the “memory of the hair,” he says. Once hair is held in the
desired shape, new bonds are formed with a second chemical step.
Pande speculates to Science News that some of the lasers he uses to study hair
protein might someday be adapted for use in salons. He envisions a day when a
stylist might adjust the treatment to maximize the number of disulfide bonds that
break during the first stage of the perm and that form during the resetting stage.
He notes that permed hair typically has only 90 percent of the original number of
disulfide bonds, leaving the hairdo weaker than before.
On another front, Pande is also developing analytic techniques to understand
sunlight-induced damage. This photodamage makes hair brittle and can alter its
color. Molecules of the amino acid tryptophan in the hair, which naturally
fluoresce when illuminated, decompose when exposed to the sun’s ultraviolet light.
Pande has found that a decrease in tryptophan fluorescence from a person’s hair
can quantify damage from UV radiation.
Rinsing out conditioner
To protect hair from such damage, researchers also use powerful technology to test
potential products. Much of the work of identifying the perfect conditioner or
hair sunscreen is done in the secrecy of company labs. However, some of these
tests are conducted for consumer products companies by outside researchers, such
as the hair scientists at the nonprofit research institute TRI/Princeton in New
Jersey.
In one such test, for example, TRI researchers examine how much conditioner
remains on hair following rinsing, says K.R. (Ram) Ramaprasad of TRI. As any
number of television commercials point out, excessive conditioner buildup can
weigh hair down. To see how conditioner coats a hair, Ramaprasad and his
colleagues use SEM and a technique called microspectrofluorometry in which the
chemists attach fluorescent molecules to the conditioner.
By fluorescently tagging chemicals such as potential additives for shampoos and
conditioners, Ramprasad and his colleagues can also tell companies how the
compounds penetrate a hair on the microscopic level. Mapping the course that the
chemicals take as they penetrate hair fibers helps identify the compounds that
cause the least damage.
The TRI group also tries to find out how to get the best results from a promising
product. In one case, the researchers have recently been developing computer
models to better determine how much of a liquid is needed for an optimal coating.
Such models might one day suggest the amount of hairspray needed for the best
hold, for example.
Hair-care researchers look for ways to protect tresses against day-to-day damage
as well. SEM studies by TRI scientists demonstrate how even the simple act of
combing can harm locks. Almost anything a person does to hair damages it, says
Ramaprasad.
Each hair’s surface is covered by cuticle–a layer of protective, shinglelike
flaps. The abrasion of combing dry hair essentially sands down the cuticle layer,
says Ramaprasad.
The situation worsens under wet conditions. Absorbed water makes hair fibers swell
and the cuticles stick out. In this case, combing can actually break off the
protective flaps. Conditioners minimize this breakage by getting under the cuticle
and holding the shingles down, notes Ramaprasad.
Heat styling can be hard on hair, too, even when it makes the strands feel
smoother to the touch, says Kathleen Martin, a hair researcher for Unilever in
Rolling Meadows, Ill.
More than half of women in the United States blow-dry their hair at least six
times a week, and some 70 percent use a curling iron or hot rollers more than once
a week, says Martin, who also spoke at MARM 2001.
Blow-drying at typical temperatures of 40 to 70C removes the hair’s weakly
bonded water. Unlike permanents, which break and make disulfide bonds, the loss of
water alters the weak hydrogen bonds in the hair’s nexus of protein molecules.
That’s why, for example, blow-drying can change curly hair to straight.
But hair styled this way often doesn’t stay straight for long. When the air has a
high relative humidity, blow-dried hair absorbs moisture from the air, and the
hairdo loses its blow-dried style, says Martin.
Blow-drying doesn’t damage hair dramatically, but curling irons can. They heat
hair to much higher temperatures than blow-dryers do, remove strongly bonded
water, and destabilize proteins, weakening the hair shaft, notes Martin. These
molecular changes enable hair to hold a new look for longer than blow-drying does.
Even weeks later, ironed hair still has less water than it did before the
treatment, says Martin.
“It’s a tenacious water loss,” Martin says. “You’ve really changed the hair in
some substantial way.”
Flat irons get even hotter than curling irons do. Flat ironing can make hair feel
smoother because the cuticle lies flat. Indeed, flaps look melted in SEM images.
The damage also goes deep into the hair’s interior, says Martin.
Sunlight and hair
Sunlight introduces more subtle molecular damage to hair. Scientists have known
that ultraviolet and visible light break chemical bonds, but Ramaprasad wondered
whether such actions depend on the hair’s environment. Would hair exposed to
sunlight in Arizona, New Jersey, and India break down into the same chemical
products?
In fact, the chemistry is different, Ramaprasad reported in New Orleans last May
at the Annual Scientific Seminar of the Society of Cosmetic Chemists. His
spectroscopic studies have demonstrated that exposure to sunlight produces
different chemical reactions depending on the degree of humidity and the intensity
of sunlight. For example, sunlight is harsher on hair in humid environments than
in dry ones.
The effect of the environment on dye in hair is also a hot topic for hair
chemists. Humidity, sunlight, and other factors can affect dyed hair dramatically,
says Gabriela M. Wis-Surel, a hair scientist with Unilever in Edgewater, N.J. At
MARM 2001, she described several recently completed studies in which she used UV
and visible spectroscopy to study dye absorption.
Wis-Surel examined hair colored by oxidation-dye chemistry–a technique for
obtaining color that’s not supposed to wash out. Two processes occur
simultaneously in such dyeing. A developing agent, generally hydrogen peroxide,
oxidizes the pigment melanin to lighten the hair’s natural color. Meanwhile, the
dye penetrates the hair fibers.
Although these dyes are marketed to people with a “long-term commitment to color,”
Wis-Surel says, she discovered that the color is not nearly as committed as its
wearer–at least not right away. Some dyes continue to react with the hair over the
first 2 or 3 days, she found. The color of a person’s hair when he or she leaves
the salon might not be exactly the same a few days later. The transition to the
final shade is subtle, Wis-Surel says, but her work confirms reports by some
attentive consumers.
Over the long term, Wis-Surel found that several factors alter a permanent dye’s
color. To observe sunlight-damaged hair, she simulated an intense month of Miami
daylight by shining a xenon lamp for 48 hours on each side of a flattened tress of
hair. The light greatly increased color loss, she says.
Similarly, high humidity lightened color and added a yellow tinge to dyed hair,
she says. A single humid day at the beach won’t produce noticeable changes, but a
week could, she points out. Wis-Surel also found that such color changes “seemed
to be reversible.” Placing hair samples back in low humidity returned them to
their previous hue.
Other factors alter the color of hair samples, too, reports Wis-Surel. A simulated
month of shampooing–1 hour in an agitated beaker–faded the color of dyed hair,
although not as badly as sunlight and humidity did. Tips lost more color than
roots, she notes.
Meanwhile, Wis-Surel found that an acidic environment of pH 4, as in some shampoos
and conditioners, produced more color changes, especially in red shades, than a
less acidic treatment with pH 6 did.
Yet of all the factors studied, sunlight was the most damaging to dye color, Wis-Surel says.
Simple steps
This may be more chemistry than most people are willing to contemplate while
lounging on the beach. But Pande says there are simple steps that people can take
to protect their hair.
To avoid sun damage, for example, he recommends wearing a hat and using hair-care
products that contain sunscreen.
Or just don’t worry about it. If your hair does get damaged, be patient. It
eventually grows out. “Go to the barber,” Pande recommends.