Red Planet Makes a Splash: Rover finds gush of evidence for past water
A robotic rover on Mars has gathered what scientists are calling the best evidence to date that liquid water once flowed on the Red Planet, soaking rocks thoroughly enough to create possible niches for life.

The combination of images and compositional information provided by the rover is “the clearest lines of evidence for a habitat on Mars, a place hospitable to life,” says James B. Garvin, lead scientist for Mars exploration at NASA headquarters in Washington, D.C. “This has finally given us a compass direction, a place we want to send a robot to sample material and bring this stuff back.”
At a NASA press briefing on March 2, Steve W. Squyres of Cornell University and his colleagues described four lines of evidence that point to a past abundance of water gurgling through a curb-high outcrop of rock that the rover Opportunity has been investigating for the past 2 weeks. Opportunity landed Jan. 25 in Meridiani Planum, a vast plain near the Martian equator (SN: 1/31/04, p. 67: Available to subscribers at Red Planet Roundup: Opportunity knocks; Spirit revives). The rover’s twin, Spirit, landed Jan. 3 on the opposite side of the planet.
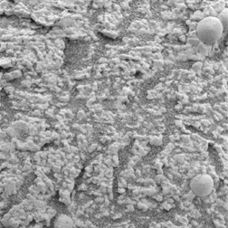
One set of data comes from images taken with the rover’s equivalent of a hand lens. These images indicate the origin of spherical grains, no more than a few millimeters in diameter, that are embedded within fine layers of rock. The grains’ placement and uniform distribution suggest that the particles didn’t fall from the Martian sky but formed when minerals dissolved in water precipitated out and then grew into round particles, says Squyres.
Other close-up images of rocks in the outcrop reveal “places shot through with very weird-looking holes,” he notes. The holes are about a centimeter long and a few millimeters wide. On Earth, such voids occur when minerals dissolved in water crystallize in elongated shapes within rock but are then washed or eroded away. “We think [the holes in the Mars rocks] are molds of crystals that were once there,” Squyres says.
Other signs of water have come from Opportunity’s alpha X-ray spectrometer. The instrument found an abundance of sulfur in the outcrop. The sulfur can’t be just a coating because its concentration is even higher in spots that the rover’s drill dug several millimeters below the surface.
The sulfur is a signpost for water because it’s likely to be present as a salt, says rover scientist Benton Clark of Lockheed Martin Space Systems in Denver. Some rocks may be as much as 40 percent salt, he notes. “That’s an astonishing amount” and could result only from a briny solution soaking through rock and then evaporating, leaving the salt behind, Clark says.
Furthermore, the rover’s Mossbauer spectrometer found evidence of the iron-bearing mineral known as jarosite. On Earth, jarosite is found in association with acidic lakes or hot springs. This is a mineral “that you’ve got to have water around in order to make,” says Squyres.
The new evidence for water completes the recipe for life on Mars, says Garvin. Moreover, the same aqueous process that may have created conditions suitable for life in the outcrop could have served to preserve fossils there, he notes. Minerals precipitating from the water could have trapped the remains of organisms.
Squyres notes that the researchers still don’t know how much water coursed through the region or the last time the outcrop was wet. Similar signs of water in regions just outside the outcrop may reveal how widespread the water was.
The researchers say they have tentative evidence that the rocks not only had water percolating through them but were themselves formed from sediment laid down by an ancient Martian lake or sea.